Доступно шт: 54
Ви можете отримати знижку в нашому інтернет-магазині, якщо пройдете реєстрацію та будете отримувати новини від нас
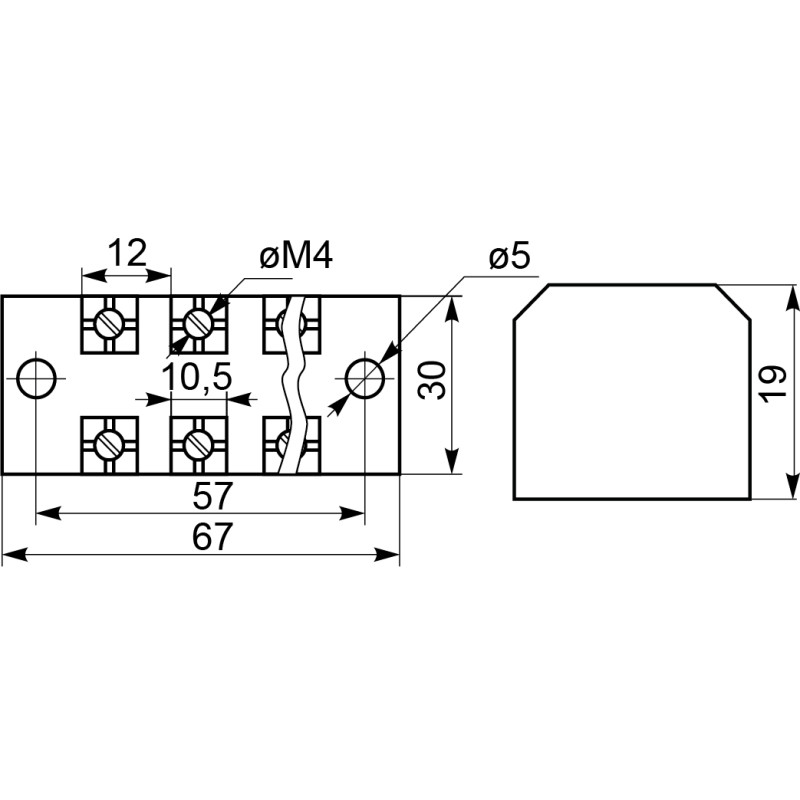
Колодка TB3504: Ваша Гарантія Надійності та Безпеки в Електромонтажі
Представляємо вашій увазі високоякісну електричну колодку TB3504 – незамінний елемент для створення безпечних, стабільних та організованих електричних з'єднань. Ця колодка розроблена з урахуванням найвищих стандартів надійності, що робить її ідеальним вибором як для домашнього використання, так і для професійних електромонтажних робіт.
Ключові Переваги Колодки TB3504:
-
Виняткова Безпека: Виготовлена з високоякісних ізоляційних матеріалів, колодка TB3504 ефективно запобігає короткому замиканню та виключає ризик ураження електричним струмом. Ваші електричні системи будуть надійно захищені.
-
Надійне З'єднання: Міцні клеми забезпечують щільне та стабільне кріплення проводів, усуваючи можливість їх випадкового від'єднання під впливом вібрацій чи механічних навантажень. Гарантує безперебійну роботу вашого обладнання.
-
Тривалий Термін Служби: Стійкість до температурних перепадів, корозії та механічних пошкоджень гарантує довговічність виробу. Вам не доведеться турбуватися про часту заміну чи ремонт.
-
Простий та Швидкий Монтаж: Завдяки продуманій конструкції, підключення проводів до колодки TB3504 займає мінімум часу та не потребує спеціалізованих інструментів, що значно спрощує процес електромонтажу.
-
Універсальність Застосування: Підходить для широкого діапазону перерізів кабелів, що робить її гнучким рішенням для різноманітних завдань – від побутових приладів до промислового обладнання.
-
Оптимальна Організація Проводки: Допомагає акуратно та систематизовано організувати електричні з'єднання, покращуючи естетику установки та полегшуючи подальше обслуговування.
Обираючи колодку TB3504, ви інвестуєте в якість, надійність та безпеку вашої електричної системи. Це розумне рішення для тих, хто цінує довговічність та бездоганну роботу свого обладнання.
| Основні | |
| Призначення | Призначені для надійного та зручного з'єднання кабелів та електроізоляції місця з'єднання. |
| Кількість в упаковці, шт | 50 |
| Матеріал виготовлення | Корпус - АБС-пластмаса; клеми - латунь |
| Номінальний робочий струм Ie, A | 35 |
| Об'єм, кг | 0.00004 |
| Номінальна робоча напруга Ue, В | AC600 |
| Кількість в ящику, уп | 16 |
| Ступінь захисту | IP 20 |
| Температура експлуатації, °С | -10...+80 |
| Вага, кг | 0.038 |
| Кількість клемних пар | 4 |
| Кількість в ящику, шт | 800 |
