Доступно шт: 24
Ви можете отримати знижку в нашому інтернет-магазині, якщо пройдете реєстрацію та будете отримувати новини від нас
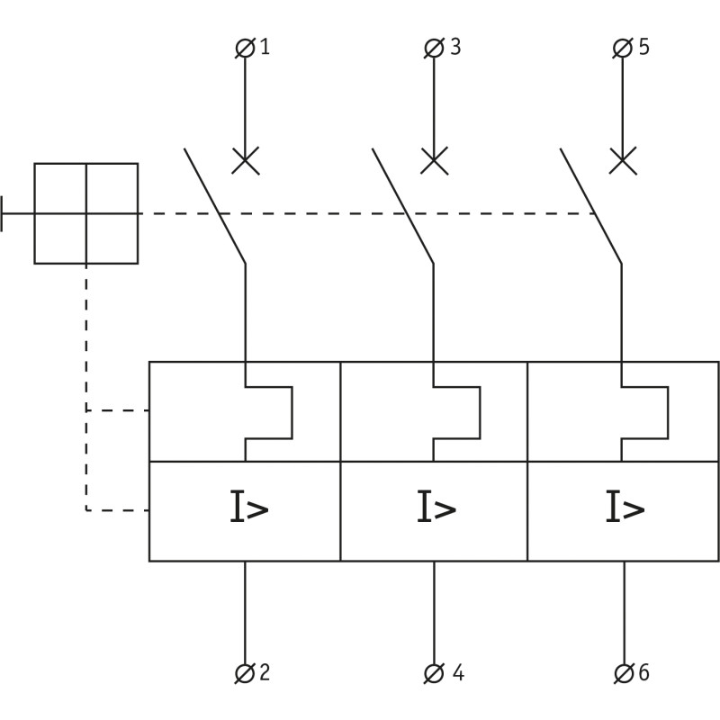
Автоматичний вимикач захисту двигуна УКРЕМ ВА-2005 М10: Надійний захист для Ваших електродвигунів
Пошук ефективного та надійного рішення для захисту промислових електродвигунів завжди є пріоритетом. Автоматичний вимикач УКРЕМ ВА-2005 М10 – це сучасне обладнання, розроблене для забезпечення безперебійної та безпечної роботи Вашого обладнання.
Ключові переваги УКРЕМ ВА-2005 М10:
- Комплексний захист: Надійний захист від перевантажень, коротких замикань та асиметрії фаз, що значно подовжує термін служби двигуна та запобігає його передчасному виходу з ладу.
- Ручне керування: Функція ручного увімкнення/вимкнення, яка дозволяє оперативно контролювати роботу обладнання та виконувати швидку зупинку при необхідності.
- Висока надійність: Висока комутаційна здатність та стійкість до частих спрацьовувань гарантують довговічність самого вимикача, навіть в інтенсивних умовах експлуатації.
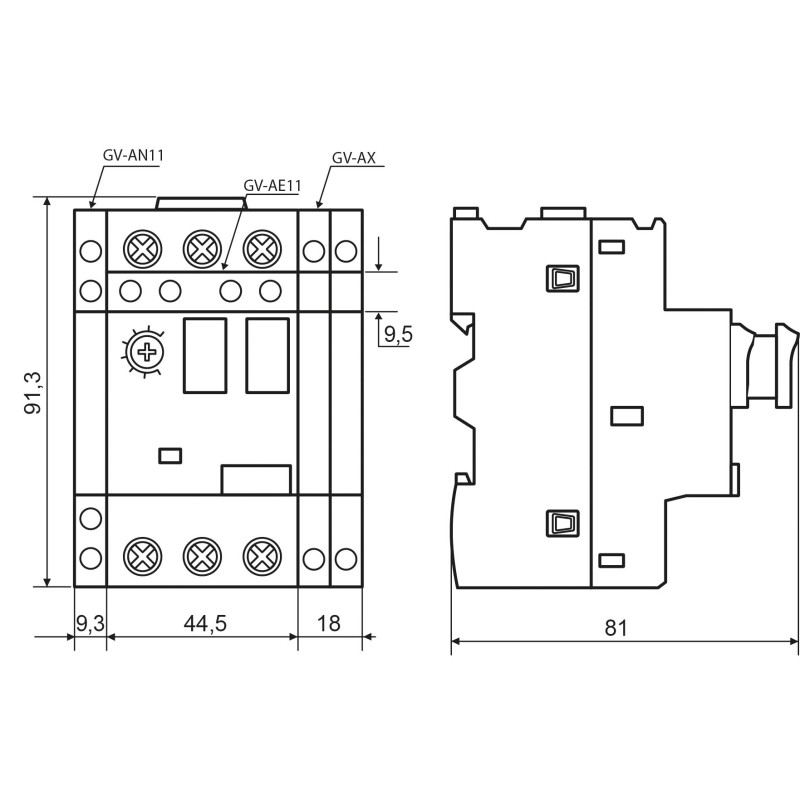
- Простий монтаж: Зручне підключення та легкий монтаж, що економить час та зусилля при встановленні та інтеграції в існуючі системи.
- Відповідність стандартам: Виріб відповідає міжнародним та українським стандартам якості, що підтверджує безпеку, ефективність та надійність пристрою.
- Економія ресурсів: Завдяки стабільному захисту значно зменшуються ризики аварій, простоїв обладнання та дорогі ремонти, що призводить до значної економії на обслуговуванні.
- Український виробник: Продукція УКРЕМ – це гарантія якості від українського виробника, перевірена часом та довірою багатьох споживачів.
Сфери застосування:
Цей вимикач ідеально підходить для використання в промислових установках, на виробничих лініях, у системах вентиляції, компресорних станціях, насосних установках та будь-де, де потрібно забезпечити стабільний та безпечний захист електродвигунів.
Обираючи УКРЕМ ВА-2005 М10, Ви отримуєте:
- Безперебійну та ефективну роботу Вашого обладнання.
- Захист від дороговартісних ремонтів та простоїв.
- Впевненість у безпеці виробничого процесу.
Інвестуйте у надійність та безпеку – оберіть автоматичний вимикач захисту двигуна УКРЕМ ВА-2005 М10 та забезпечте довговічну роботу Ваших електродвигунів!
| Основні | |
| Призначення | Призначені для керування та захисту від перевантаження трифазних асинхронних електродвигунів. |
| Відповідність стандартам | ДСТУ EN 60947-2 |
| Режим експлуатації | тривалий |
| Зносостійкість електрична, циклів | 2000 |
| Об'єм, кг | 0.00036 |
| Номінальна робоча напруга Ue, В | AC 400 |
| Номінальна напруга ізоляції Ui, В | 600 |
| Струм уставки, А | 4,0...6,3 |
| Кількість полюсів | 3 |
| Номінальна імпульсна напруга Uimp, кВ | 6 |
| Номінальна вимикальна здатність Icn, кА | 6 |
| Ступінь захисту | IP 20 |
| Температура експлуатації, °С | -5...+40 |
| Вага, кг | 0.275 |
| Кількість в ящику, шт | 50 |
| Струм електромагн. вимикання, А ±20% | 40 |
