Доступно шт: 4
Ви можете отримати знижку в нашому інтернет-магазині, якщо пройдете реєстрацію та будете отримувати новини від нас
Автоматичний вимикач захисту двигуна УКРЕМ ВА-2005 М03 – Надійний Щит для Вашого Обладнання
Представляємо автоматичний вимикач захисту двигуна УКРЕМ ВА-2005 М03, незамінний компонент для забезпечення стабільної та безпечної роботи вашого електричного обладнання. Цей пристрій є ключовим елементом у системі живлення, що гарантує довговічність і безперебійність функціонування електродвигунів, мінімізуючи ризики простоїв та дорогого ремонту.
Ключові Переваги та Надійний Захист:
-
Комплексний Захист від Перевантажень: Запобігає пошкодженню двигуна через надмірний струм, що виникає при перевантаженні, значно подовжуючи термін його служби та підтримуючи оптимальну продуктивність.
-
Миттєве Відключення при Короткому Замиканні: Гарантує швидке та ефективне реагування на критичні ситуації, захищаючи не тільки двигун, а й всю електричну мережу від катастрофічних наслідків коротких замикань.
-
Захист від Обриву (Зникнення) Фази: Критично важлива функція, що оберігає трифазні двигуни від небезпечної асиметрії струмів та перегріву, які можуть призвести до їхнього швидкого виходу з ладу.
-
Зменшення Витрат на Обслуговування та Ремонт: Завдяки своєчасній реакції на несправності, автоматичний вимикач ВА-2005 М03 мінімізує простої обладнання та дорогі ремонтні роботи, зберігаючи ваш бюджет.
-
Підвищення Безпеки Експлуатації: Забезпечує безпечне середовище для персоналу, запобігаючи аварійним ситуаціям, спричиненим електричними несправностями, і захищаючи від ураження струмом.
-
Довговічність та Надійність УКРЕМ: Обираючи продукцію УКРЕМ, ви отримуєте якість, перевірену часом, що гарантує стабільну роботу вимикача протягом багатьох років, незалежно від умов експлуатації.
Інвестуйте в автоматичний вимикач захисту двигуна УКРЕМ ВА-2005 М03, щоб забезпечити безперебійну, безпечну та довготривалу роботу ваших електродвигунів. Це розумне рішення для будь-якого виробництва, де цінують надійність, ефективність та високі стандарти безпеки.
| Основні | |
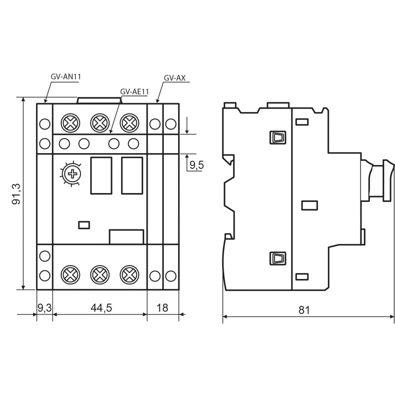
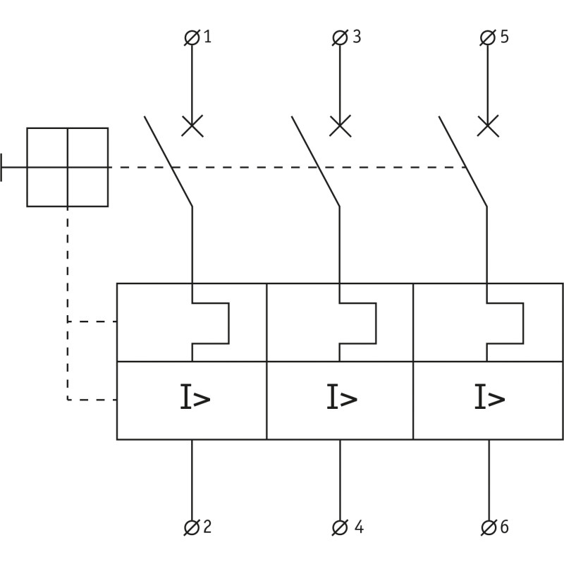
| Призначення | Призначені для керування та захисту від перевантаження трифазних асинхронних електродвигунів. |
| Відповідність стандартам | ДСТУ EN 60947-2 |
| Режим експлуатації | тривалий |
| Зносостійкість електрична, циклів | 2000 |
| Об'єм, кг | 0.00036 |
| Номінальна робоча напруга Ue, В | AC 400 |
| Номінальна напруга ізоляції Ui, В | 600 |
| Струм уставки, А | 0,25...0,40 |
| Кількість полюсів | 3 |
| Номінальна імпульсна напруга Uimp, кВ | 6 |
| Номінальна вимикальна здатність Icn, кА | 6 |
| Ступінь захисту | IP 20 |
| Температура експлуатації, °С | -5...+40 |
| Вага, кг | 0.236 |
| Кількість в ящику, шт | 50 |
| Струм електромагн. вимикання, А ±20% | 5 |
